BROWSE ALL ARTICLES
Category
Technical Level
Reading Importance
Related Products
Software Environment
Provided Results
235 results
|


ARTICLE
Getting started with the imperix ACG SDK


ARTICLE
Installation guide for imperix ACG SDK


ARTICLE
Licensing of imperix software


ARTICLE
Installation and use of the CPP SDK


ARTICLE
Programming and operating imperix controllers


ARTICLE
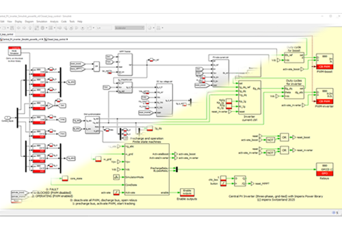
Getting started with Imperix Power library


ARTICLE
MMC bundle – quick start guide


ARTICLE
PEB-800-40 – Quick start guide


ARTICLE
Power electronics bundle – Quick start guide


ARTICLE




