Table of Contents
On imperix controllers, the CPU exchanges data with the FPGA via the SBIO bus. This memory-mapped bus allows the CPU user app to read and write FPGA registers via the SBI and SBO blocks in Simulink and PLECS.
On the FPGA side, helper modules are provided to abstract the bus complexity and expose registers instead. An AXI4-Stream interface is also available, designed to facilitate the implementation of FPGA-based control algorithms.
Customizing the FPGA firmware involves instantiating the imperix firmware IP within Xilinx Vivado to edit the surrounding programmable logic, known as the sandbox. For step-by-step instructions on creating the required FPGA sandbox template, refer to the getting started guide.
SBIO bus
The SBIO_BUS (SandBox IO bus) is a 16-bit memory-mapped bus allowing the CPU to address up to 1024 SBI or SBO registers in the FPGA. The reading and data_valid_pulse signals serves to synchronize the user logic to the reading and writing cycles.
The user interacts with the bus using the following blocks:
- SBI blocks to read FPGA registers before the execution of the CPU task.
- SBO blocks to write FPGA registers after the execution of the CPU task.
The image below illustrates the CPU execution phases and related signals, which are further described in the imperix firmware IP product guide.
- The read phase is indicated by the assertion of the
readingsignal. During that time, SBI registers are read and cached in the CPU buffer, making them available to the user application. - At the end of the processing phase, SBO values are written to the FPGA. The end of the write phase is indicated by the assertion of the
data_valid_pulsesignal.
SBIO helper modules
The following SBIO helper modules are provided in the imperix source files to abstract the SBIO bus complexity.
SBIO registers
The sbio_registers and sbio_256_registers modules provide 64, respectively 256, addressable 16-bit registers accessible from the CPU using SBI and SBO blocks.
SBIO interconnect
The sbio_interconnect divides the full range of 1024 addresses of the SBIO bus into four ranges of 256 addresses each, allowing to connect multiple SBIO modules.
The address mapping of the SBIO interconnect is shown below, it divides the SBIO addressable range in 4 smaller areas.
As an example, writing to SBO_reg_03 of an sbio_register block connected to S2_SBIO_BUS requires an SBO block addressed to register 512+3=515.
AXI4-Stream interface
The AXI4-Stream interface provided with the sandbox template allows exchanging 32-bit data between the CPU and FPGA using the M_AXIS_CPU2FPGA and S_AXIS_FPGA2CPU interfaces.
The AXI4-Stream interface was made specifically to facilitate implementing control algorithm in FPGA , such as the high-speed current control described in TN147. The interface is designed for algorithms that share the following characteristics:
- The control algorithm is fully implemented in the FPGA.
- The control algorithm is executed at the ADC sampling rate (SCLK rate), which may be faster than the CPU rate (postscaler > 1).
- The control algorithm operates with 32-bit floating-point data.
- The CPU model is used to writes slow-varying signals such as configuration parameters (Kp, Ki, etc.) and slow-varying references, or serves for monitoring/debugging.
To facilitate the design of such algorithm, the following design choices were made:
- The M_AXIS_ADC and M_AXIS_CPU2FPGA interfaces output data at the same time, synchronized to the
adc_done_pulse. The consequence is that CPU2FPGA signals are delayed to the end of the next acquisition phase.
- The M_AXIS_ADC and M_AXIS_CPU2FPGA interfaces output data at the same rate. That means that when the CPU execution rate is slower than the sampling clock (postscaler > 1) the same CPU2FPGA values are outputted multiple times.
Address mapping of the AXI4-Stream interface
The mapping between the 16-bit SBIO registers and the 32-bit AXI4-Stream interfaces is the following:

These registers are typically used to exchange floating-point values with the CPU. Ready-to-use helper functions for Simulink and PLECS are provided in the next section.
Exchanging floats signals
Algorithms typically operate using 32-bit floating-point values. The Simulink and PLECS templates provided below provide ready-to-use scripts to concatenate or decompose the 16-bit values and interpret the result as a floating-point variable.
Simulink model
In Simulink, the following MATLAB functions are used.
sbi2single
function y = sbi2single(u1,u2)
y = single(0); % fix simulink bug: force compiled size of output
y = typecast([uint16(u1) uint16(u2)], 'single');Code language: Matlab (matlab)
single2sbo
function [y1,y2] = single2sbo(u)
temp = typecast(single(u),'uint16');
y1 = temp(1);
y2 = temp(2);Code language: Matlab (matlab)
PLECS model
The PLECS C-Script function are provided below.
sbi2single
float y1 = InputSignal(0,0);
float y2 = InputSignal(0,1);
union { unsigned int i; float f; } conv;
conv.i = ((unsigned short)y2 << 16) | (unsigned short)y1;
OutputSignal(0,0) = conv.f;Code language: C++ (cpp)
single2sbo
union { unsigned int i; float f; } conv;
conv.f = InputSignal(0,0);
OutputSignal(0,0) = (unsigned short)(conv.i & 0xFFFF);
OutputSignal(0,1) = (unsigned short)(conv.i >> 16);Code language: C++ (cpp)
Example using the AXI4-Stream interface
This step-by-step example implements the FPGA design shown below which:
- Receives two floating-point values from the user application (
CPU2FPGA_00andCPU2FPGA_01). - Multiplies the two values together using a Xilinx Floating-Point IP.
- Sends the result back to the user application running in the CPU (
FPGA2CPU_00).
Start from template
Create the Vivado sandbox template following the “Creating the Vivado sandbox template” procedure detailed in the getting started.
Add a multiplier
To add an AXI4-Stream IP that multiplies two floating point value:
- Right-click somewhere in the block design, select Add IP and search for Floating-point. Press Enter.
- In the Block Properties panel, rename the block to multiplier.
- Double-click on the IP to open the configuration panel. In the Operation Selection tab, select Multiply for the operation. Other parameters can be let in their default configuration.
Connect the multiplier
The design can be finalized by applying the following connections between the AXI4-Stream interface and the multiplier:
- M_AXIS_CPU2FPGA_00 to S_AXIS_A
- M_AXIS_CPU2FPGA_01 to S_AXIS_B
- M_AXIS_RESULT to S_AXIS_FPGA2CPU_00
The aclk signal of the multiplier must be connected to the clk_250_mhz clock.
Save, build and load the design
- Save the design and click on Generate Bitstream in the sidebar on the left.
- Load the bitstream onto the controller via Cockpit.
Experimental validation
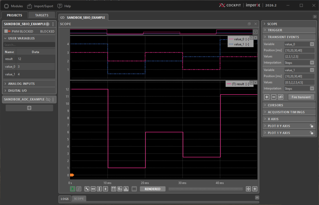
The FPGA design is tested using the CPU model provided below. It contains two tunable parameters for the two operands, which are transmitted to the FPGA through SBO blocks and the result is received from the FPGA through an SBI block. The sbi2single and single2sbo conversions are described in the Exchanging floats section above.
The expected results is shown in the figure below, which is obtained by checking different values for both operands thanks to the built-in Cockpit transient generator.
Going further
The TN147 example uses the AXI4-Stream interface for the CPU model to interact with the current control implemented in FPGA. The CPU2FPGA interfaces are used to write configuration signals (Kp, Ki, etc.) and slow-varying references (Iref), while the FPGA2CPU interfaces are dedicated to monitoring and debugging.
In PN127, a PWM modulator is implemented in FPGA and the duty-cycle is provided by the CPU model. To avoid the additional delay introduced by the AXI4-Stream interface, the sbio_register helper is used instead. Two SBO register are concatenated to form a 32-bit floating-point value.





















