Analog I/O configuration for imperix controllers
This page outlines the configuration methods for analog I/O channels on imperix controllers. While digital I/Os are configured exclusively via software and remain consistent across…
These notes are specifically related to imperix products. They address both control or power hardware, as well as software solutions. Their aim is to document what users should understand to properly use imperix products. Product notes, therefore, provide complementary information with respect notably to product datasheets.
This page outlines the configuration methods for analog I/O channels on imperix controllers. While digital I/Os are configured exclusively via software and remain consistent across…
This document introduces the two variants of the closed rack (types C and D). Intended for first-time users, the guide details the auxiliary power supply…
This document provides guidance for integrating imperix power modules into an open rack (type A). Intended for first-time users, the guide details essential mechanical considerations,…
This article describes how to use the XY plot module of imperix Cockpit to interact with the user code running on imperix controllers, namely the…
An introduction to Aurora communication with third-party devices is available in SFP communication with third-party devices. The current page extends that overview by presenting a…
While imperix controllers are typically programmed with applications built in Simulink or PLECS, imperix also provides direct access to FPGA resources through its FPGA development…
An introduction to Aurora communication with third-party devices is available in SFP communication with third-party devices. The current page extends that overview by presenting a…
Introduction Power electronic converters pose a specific sampling challenge: the signals of interest (currents and voltages) are low-frequency components, but they are combined with a…
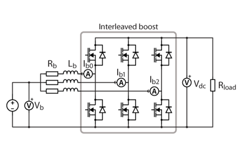
This page is a quick-start guide to build an interleaved boost converter using imperix equipment. It is specifically made to accompany users who want to…
This article provides essential information for developing power converters using the PEB-800-40 module. It is intended to guide first-time users through the safe and successful…
End of content
End of content