Getting started with the imperix ACG SDK
This article provides getting-started instructions for first-time users of the imperix ACG SDK. It focuses on the typical workflow associated with the simulation and automated…
These pages provide getting-started instructions for ACG SDK, the kit for graphical programming of imperix B-Box RCP and B-Board PRO controllers.
This article provides getting-started instructions for first-time users of the imperix ACG SDK. It focuses on the typical workflow associated with the simulation and automated…
This article describes how to use the Rolling plot module of imperix Cockpit to interact with the user code running on imperix power converter controllers, namely the B-Box…
This article describes how to use the Spectral Analyzer of imperix Cockpit to interact with the user code running on imperix power converter controllers, namely the B-Box RCP …
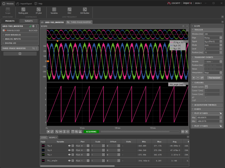
This article describes how to use the Scope module of imperix Cockpit to interact with the user code running on imperix power converter controllers, namely the B-Box…
This user guide explains how to use the GUI Builder module of imperix Cockpit to interact with imperix power converter controllers, namely the B-Box RCP …
This document provides guidance to first-time users regarding the essential procedures for deploying code to imperix controllers, as well as connecting with the equipment. It…
This user guide explains how to use imperix Cockpit to interact with imperix power converter controllers, namely the B-Box 4, B-Box RCP, B-Board PRO, the Programmable…
This note gives step-by-step instructions to install the Software Development Kit (SDK) for the Automated Code Generation (ACG) from Simulink and PLECS. Recommended articles related…
This note introduces basic instructions in order to efficiently get started with the imperix ACG SDK on Simulink. Related material Suggested prerequisites Suggested further readings…
This note provides in-depth content for an accurate and efficient offline simulation of an imperix controller and the corresponding plant model using ACG SDK on Simulink. Recommended…
End of content
End of content